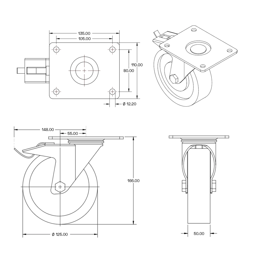
Ruota girevole in nylon per impieghi gravosi, frenata con piastra superiore - 125mm - 550kg
Ruota per carichi pesanti con freno di ottima qualità, ha un diametro di 125 mm e una capacità di carico di 550 kg per ruota. La ruota per impieghi gravosi è interamente in nylon ed è molto adatta per pavimenti lisci.
Leggi la descrizione completa del prodotto
Le nostre ruote per impieghi gravosi in nylon sono di qualità eccellente, conformi alla normativa RoHS, il pneumatico è in nylon e quindi queste ruote per impieghi gravosi sono adatte per trasporti extra-pesanti o per il trasporto di carichi su superfici piane, come ad esempio in magazzini e capannoni. Sono inoltre adatte per applicazioni di trasporto pesanti come pietre dure/granito e costruzioni pesanti.
Per i pavimenti irregolari e l'uso all'aperto, consigliamo le nostre ruote per impieghi gravosi in PU.
Questa ruota girevole con freno è dotata di una piastra superiore, con la quale è possibile fissare facilmente la ruota con 4 bulloni.
Questa ruota girevole è dotata di doppio freno, il che significa che una volta che la ruota è sul freno, sia la ruota che il senso di rotazione sono bloccati.
Tra i prodotti correlati è possibile vedere le ruote girevoli e fisse con cui questa ruota girevole frenata può essere combinata in modo eccellente, poiché hanno le stesse dimensioni.
 
     
     
 
                       
 
                      



 
                 
                 
                