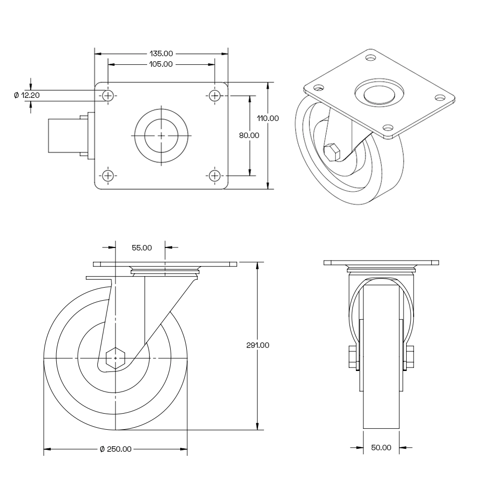
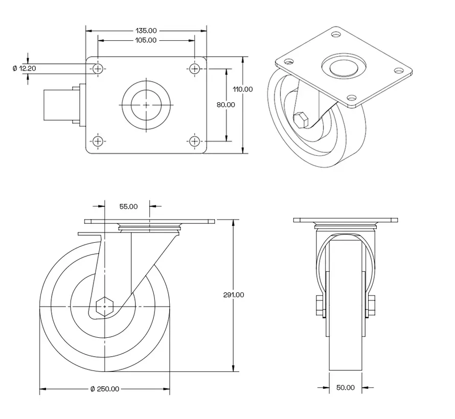
Ruota girevole per impieghi gravosi in PU con piastra superiore - 250mm - 800kg
Ruota per impieghi gravosi, con un diametro di 250 mm e una capacità di carico di 800 kg per ruota. Il pneumatico è in PU e il corpo ruota in alluminio.
Leggi la descrizione completa del prodotto
Le nostre ruote per impieghi gravosi sono di qualità eccellente, conformi alla normativa RoHS, il pneumatico è in PU e quindi queste ruote per impieghi gravosi sono adatte al trasporto di carichi extra pesanti o al trasporto di carichi su superfici irregolari o per applicazioni all'aperto. Con una capacità di carico fino a 800 kg per ruota, sono adatte per applicazioni pesanti. Queste ruote in PU offrono una certa ammortizzazione e non si appiattiscono sotto un carico prolungato. La resistenza al rotolamento è leggermente superiore a quella delle ruote in nylon per impieghi gravosi, pertanto per le superfici lisce consigliamo le nostre ruote in nylon per impieghi gravosi.



